您好,欢迎来到苏州云雀机器人科技有限公司官网
您好,欢迎来到苏州云雀机器人科技有限公司官网
首页
关于我们
公司概况
企业文化
加入我们
产品中心
半封闭同步带滑台
全密封内嵌滑台
标准丝杆滑台
欧规同步带滑台
密封式同步带滑台
欧规电动缸
微型滑台
手轮滑台
大型模块化桁架系统
解决方案
行业应用
直线电机精密平台
DD马达
全密封直线电机
洁净环境的防尘应用
手机行业应用
新闻中心
公司新闻
行业动态
服务支持
下载中心
联系我们
联系我们
客户留言
产品中心
Product
全密封直线电机
半密封直线电机
全密封内嵌滑台
半密封内嵌滑台
密封式丝杆滑台
标准丝杆滑台
密封式同步带滑台
半封闭同步带滑台
欧规同步带滑台
齿轮齿条滑台
手轮滑台
微型滑台
欧规电动缸
大型模块化桁架系统
微型滑台
您的当前位置:
首页
>
产品中心
>
微型滑台
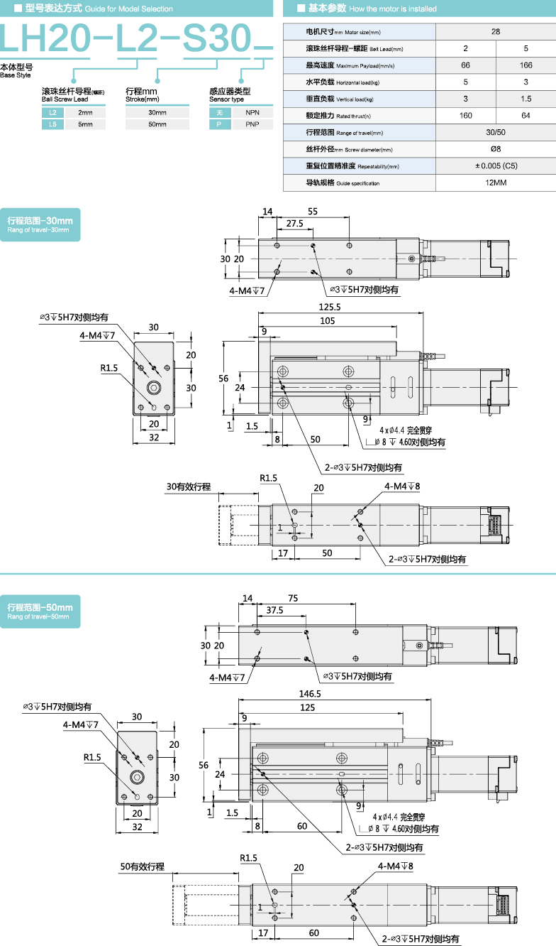
LH20微型滑台
发布时间:2019-02-22 阅读次数:4017次
上一条:
没有了
下一条:
SH20微型滑台
返回顶部
0512-57931538
在线咨询1
在线咨询2
在线咨询3